產品型號:D943H/W/Y
公稱通(tōng)徑:DN50~3000mm
壓力範圍:PN0.6~6.4MPa
使用溫度:碳鋼:-29℃~400℃ 、不鏽鋼:-40℃~600℃
適用介質:空(kōng)氣(qì)、水、汙水、蒸氣、煤氣、油品等
執照標準:JB/T8527-1997
法蘭(lán)標準:GB/T9113-2000
長度標準:GB/T12221-1989
檢驗(yàn)標準:GB/T13927-1992
產品結構特征
三偏(piān)心蝶閥是將正錐(zhuī)角旋轉一個(gè)角(jiǎo)度改為斜錐角,這樣閥杆(gǎn)與閥體中(zhōng)心偏心減小,開啟力矩也隨之減小。廣泛用於冶金 、電力、石油化工、以及給排水和市政建設等工業管道上,作調節流量和載斷流體使用。
其主要結構特點
1、蝶板與密封麵啟閉無摩擦,強製密封;
2、可以任(rèn)意位置安裝;
3、零泄漏結構設計;
4、可選(xuǎn)擇(zé)金屬與非金屬,金屬與(yǔ)金屬密(mì)封方式;
5、有單向閥門和雙向(xiàng)閥門供客戶選擇;
6、可選擇動負(fù)載式填料(liào);
7、可選擇低泄露填料滿足ISO 15848要求;
8、閥杆可加長設計;
9、可以按客戶要求設計低溫閥(fá)門或超低(dī)溫閥門(mén)。
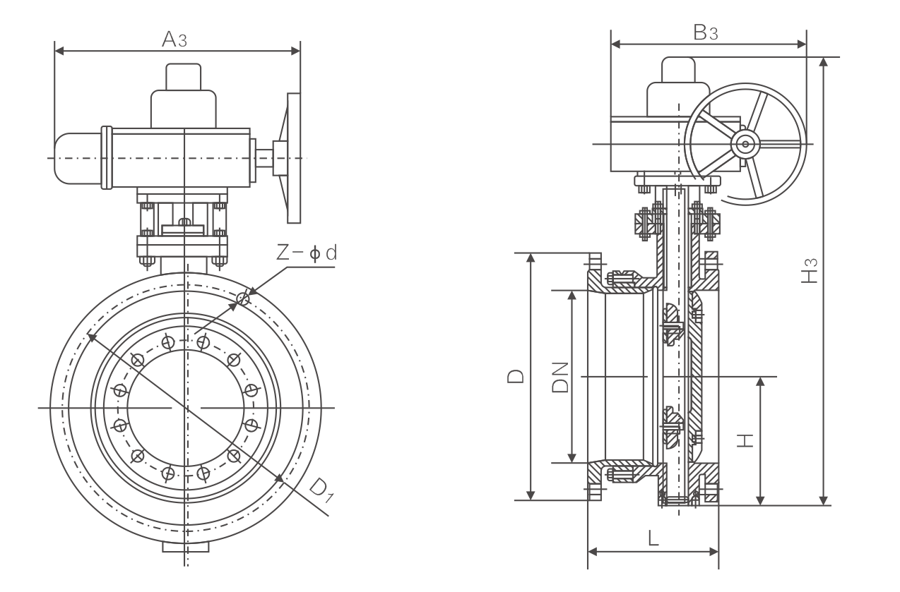
主要外形連接尺寸
|
DN |
L |
H |
D943H |
PN1.6MPa |
PN2.5MPa |
||||||||
|
毫米 |
英(yīng)寸 |
長 |
短 |
H3 |
A3 |
B3 |
D |
D1 |
Z-φd |
D |
D1 |
Z-φd |
|
|
50 |
2 |
108 |
150 |
112 |
530 |
250 |
255 |
165 |
125 |
4-18 |
165 |
125 |
4-18 |
|
65 |
2-1/2 |
112 |
170 |
115 |
530 |
250 |
255 |
185 |
145 |
8-18 |
185 |
145 |
8-18 |
|
80 |
3 |
114 |
180 |
120 |
565 |
250 |
255 |
200 |
160 |
8-18 |
200 |
160 |
8-18 |
|
100 |
4 |
127 |
190 |
138 |
600 |
250 |
255 |
220 |
180 |
8-18 |
235 |
190 |
8-22 |
|
125 |
5 |
140 |
200 |
164 |
640 |
250 |
255 |
250 |
210 |
8-18 |
270 |
220 |
8-26 |
|
150 |
6 |
140 |
210 |
175 |
705 |
300 |
315 |
285 |
240 |
8-22 |
300 |
250 |
8-26 |
|
200 |
8 |
152 |
230 |
200 |
775 |
300 |
315 |
340 |
295 |
12-22 |
360 |
310 |
12-26 |
|
250 |
10 |
165 |
250 |
243 |
945 |
300 |
315 |
405 |
355 |
12-26 |
425 |
370 |
12-30 |
|
300 |
12 |
178 |
270 |
250 |
1070 |
300 |
315 |
460 |
410 |
12-26 |
485 |
430 |
16-30 |
|
350 |
14 |
190 |
290 |
280 |
1140 |
300 |
315 |
520 |
470 |
16-26 |
555 |
490 |
16-33 |
|
400 |
16 |
216 |
310 |
305 |
1210 |
300 |
315 |
580 |
525 |
16-30 |
620 |
550 |
16-36 |
|
450 |
18 |
222 |
330 |
350 |
1335 |
575 |
714 |
640 |
585 |
20-30 |
670 |
600 |
20-36 |
|
500 |
20 |
229 |
350 |
380 |
1415 |
575 |
714 |
715 |
650 |
20-33 |
730 |
660 |
20-36 |
|
600 |
24 |
267 |
390 |
445 |
1605 |
656 |
810 |
840 |
770 |
20-36 |
845 |
770 |
20-39 |
|
700 |
28 |
292 |
430 |
480 |
1844 |
656 |
810 |
910 |
840 |
24-36 |
960 |
875 |
24-42 |
|
800 |
32 |
318 |
470 |
530 |
2040 |
656 |
810 |
1025 |
950 |
24-39 |
1085 |
990 |
24-48 |
|
900 |
36 |
330 |
510 |
580 |
2255 |
785 |
863 |
1125 |
1050 |
28-39 |
1185 |
1090 |
28-48 |
|
1000 |
40 |
410 |
550 |
650 |
2380 |
785 |
863 |
1255 |
1170 |
28-42 |
1320 |
1210 |
28-56 |
|
1200 |
48 |
470 |
630 |
760 |
2640 |
785 |
863 |
1485 |
1390 |
32-48 |
1530 |
1420 |
32-56 |