產品中心

產品中心

Product

通風蝶閥(氣動)

技術參(cān)數

產品型(xíng)號:D641W

公稱通徑:DN100~3200mm

壓力範圍:PN0.05~0.6MPa

適用溫度:-40~+450℃

連接方式:法蘭式

適用介質:煤氣、含塵氣體、煙(yān)道氣等

產品詳情

產品結構特征

      氣動通風蝶閥采用中線式蝶板形式設計,流阻小、流量(liàng)大、操(cāo)作輕便。常應用於化工、建材、電站等行業的含塵係統以及冷風(fēng)或熱風氣體管道中,作為氣(qì)體介質調節流量(liàng)或切斷(duàn)裝置。


其主要結構(gòu)特點有

      1、90度回轉開啟迅速,滿(mǎn)足快速關閉工況;

      2、軸承外置結構,杜(dù)絕管道內介質進(jìn)入軸承;

      3、大(dà)口徑采(cǎi)用(yòng)滾動軸承,摩擦力小,力矩小。



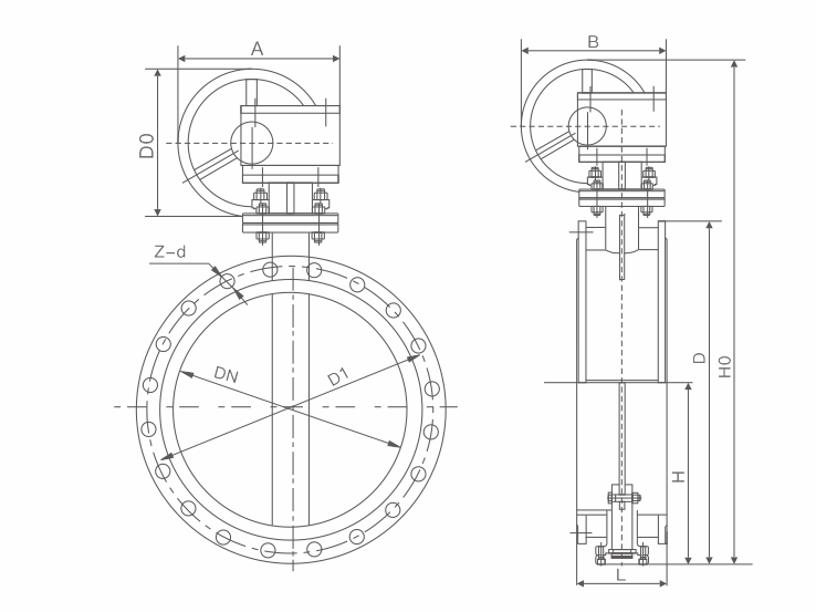
主要連接尺寸

公(gōng)稱通徑(jìng) DN

結構⻓度

(標準值)

外形尺⼨(參考值)


連接尺⼨

 0.25MPa

0.6MPa

毫⽶

英⼨

L

H

H0

A

B

D

D1

D2

Z-d

D

D1

D2

Z-d

50

2

108

70

286

125

193

140

110

88

4-14

140

110

88

4-14

65

21/2

112

80

306

125

193

160

130

108

4-14

160

130

108

4-14

80

3

114

95

334

125

193

190

150

124

4-18

190

150

124

4-18

100

4

120

105

354

125

193

210

170

144

4-18

210

170

144

4-18

125

5

120

120

384

125

193

240

200

174

8-18

240

200

174

8-18

150

6

120

132

409

125

193

265

225

199

8-18

265

225

199

8-18

200

8

140

160

593

165

183

320

280

254

8-18

320

280

254

8-18

250

10

140

187

650

165

283

375

335

309

12-18

375

335

309

12-18

300

12

170

220

715

165

283

440

395

363

12-22

440

395

363

12-22

350

14

170

245

814

175

334

490

445

413

12-22

490

445

413

12-22

400

16

190

270

863

175

334

540

495

463

16-22

540

495

463

16-22

450

18

190

297

918

175

334

595

550

518

16-22

595

550

518

16-22

500

20

190

322

1016

210

425

645

600

568

20-22

645

600

568

20-22

600

24

210

377

1128

210

425

755

705

667

20-26

755

705

667

20-26

700

28

210

430

1233

210

425

860

810

772

24-26

890

810

772

24-26

800

32

210

487

1344

210

425

975

920

878

24-30

975

920

878

24-30

900

36

250

537

1560

320

620

1075

1020

978

24-30

1075

1020

978

24-30

1000

40

250

587

1660

320

620

1175

1120

1078

28-30

1175

1120

1078

28-30

1200

48

250

687

1890

320

620

1375

1320

1280

32-30

1405

1340

1295

32-33

1400

56

300

760

2670

575

714

1575

1520

1480

36-30

1630

1560

1510

36-36

1600

64

300

895

2810

575

714

1790

1730

1690

40-30

1830

1760

1710

40-36

1800

72

300

995

2020

575

714

1990

1930

1890

44-30

2045

1970

1918

44-39

2000

80

300

1095

3220

656

810

2190

2130

2090

48-30

2265

2180

2125

48-42


网站地图 国产午夜羞羞小视频-羞羞视频在线观看-羞羞视频免费看下载-男女羞羞无遮掩视频免费网站